𝘈𝘯𝘢𝘴
𝘈𝘯𝘢𝘴

@EngAnas8_

16 تغريدة 52 قراءة May 26, 2023
ثريد يُسلط الضوء على أهم منظومة وقاية في محطات الجهد العالي - حماية القضبان او Bus Bar Protection ويرمز لها بالمخططات - 87BBP-
1◿ تُعتبر حماية القضبان في غاية الاهمية لأنه BB تمثل نقطة التقآء التيارات من الـ Incomer ومن ثم توزيعها على الـ Outgoing feeders.لذلك عند حدوث كارثة على الـ BB بسبب أي Fault ينتج عنه تيار عالي يؤدي الى خلع القضبان بقوة تتناسب مقدارها مع مربع قيمة الـ Short Circuit current
ولا يمكن لأي وسيلة عزل ان تحمي الـ BB والاجزاء الاخرى من اندلاع الحرائق بسبب تيار القصر. وبالتالي يصبح الحل الاخير هو فصل جميع مصادر تغذية الـ Fault
2◿ يتم تصميم منظومة BB protection من اجل ارسال امر الاخلاء وفتح الـ Circuit Breakers لكل الـ Outgoing feeders او incomers المتصلة بذلك الـ BB الذي حدث فيه العطل
3◿ومن اجل ضمان استقرار المنظومة الكهربائية Grid والـشبكة يتم توزيع الاحمال على اكثر من Section لـ BB. على أن يتم توفير اكثر من Feeder لـلمحطات الفرعية من اجل تعزيز موثوقية الشبكة وعدم اخلاء المحطة بالكامل عند تأثرها في حال حدوث Internal BB Fault
4◿ويجب دائما الاخذ بعين الاعتبار أهم مشاكل الـ 87BBP انه قد يقوم بارسال Tripping command واخلاء الـ BB بسبب قرارءات خاطئة من الـ CT بسبب حدوث الـ External fault خارج نطاق الـ BBs ويُعتبر اشتغال حماية القضبان هنا خاطئة وسيتم شرحها بعد ما نفهم ايش المبدأ الي يشتغل عليه..
5◿ يعتمد الـ87BBP في حماية القضبان على حساب التيارات على الـ BB. ويعتبرها كأنها Node, بالـ Normal condition يفترض ان يكون جمع التيارات الداخلة على BBوالخارجة منه تساوي صفر. واذا كان Vector summation لايساوي صفر عندها يستدل بهذه القيمة على وجود internal fault
6◿-
ومن أجل تطبيق قانون كرشوف ظهر لنا الجيل الاول الذي يعتمد على سريان التيار في Operating coil يتم توصيله على التوازي في المنتصف تماما حتى تتساوى المقاومة على طرفيه مابين محولين تيار على جانبي المنطقة المراد حمايتها ليتم تسميتها Unbiased differential relay
في البدايات كان مبدأ عمل operating coil المسؤول عن اصدار امر tripping يعتمد على over-current relay يتم ضبطه بsetting pick up لكي تعبر عن حالةعدم تحقيق قانون كرشوف للمنطقة المراد حمايتها.
كيف كان O/C يحمي المنطقة؟
عند مرور تيار داخل الى المنطقة المحمية فانه يمر عبر الCT الى ناحية ال Operating coil في مسار loop مغلق بما انه الاقرب والاقل مقاومة. وعند التقاء التيار القادم من CT1 يجد امامه تيار معاكس له بالاتجاه من CT2 لتصبح محصلتهم صفر في حال normal condition وبالتالي لايصدر O/C امر الTrip
اما في حال حدوث Fault خارج نطاق الProtected zone فانه بغض النظر عن قيمة تيار القصر العالية فانه لاتزال قيمة التيار المحصلة في O/C صفر و هذا يعني " نظريا " ان الحماية التفاضلية لن تصدر امر ال Trip في الاعطال الخارجية
اما في حال حدوث عطل داخل المنطقة المراد حمايتها Internal fault مابين الـ CTs سواء كان للعطل مصدر واحد او اثنين فان قيمة محصلة التيارات الاتجاهية vector summation في الO/C لن تكون صفر " اكبر من قيمة ال Setting" وهذا يعني ان هناك خلل وبالتالي O/C يصدر قرار ال Trip وفصل الـ CB
6◿- اذا العملية الحسابية هنا للتيارات تعتمد على الفرق Difference مابين التيارات In/Out على الـ BB.
ومن هناجاءت التسمية BB Differential protection واعطوه جماعة الـ ANSI كود رقم 87.
طيب هل هو فعلا بالواقع يتم تطبيق الحماية التفاضليه بهذا الشكل؟
بالواقع النموذج فيه مشاكل
اول المشاكل تظهر مع قراءات التيارCT التي تسبب عدم اتزان محصلة التيارات في الO/C operating coil بسبب
الفروقات مابين محولات التيار لانه كل CT له سمات كهرومغناطيسية وكل CT له Magnetizing current و من الصعب انك تخلي الاثنين identical
اختصرو كل السلبيات بالـ CT بمصطلح CT Mismatch
يعتبر Mismatchفي هذه الحالة هنا سبب لقراءه خاطئة في ظروف طبيعية وبالتالي يلزم ان يتم ضبط Settings في O/C اعلى من 1A والا سيتم الفصل الخاطئ لCB
وفي حال حدوث خارج الZone سيصل CT2 الىSaturation اسرع ليؤدي الى محصلة10A في O/C coilومن ثم يصدر trip signal لفصل CB
ولا يجوز القول بان نضبط O/C settings اعلى من 1A او 10A لتفادي الفصل الخاطئ لانها قيم عالية جدا تفقد حساسية ال O/C coil بتيار القصر في داخل zone وغير مقبول ولذلك تم تحسين هذا النموذج النظري وتعديله لكي يتم حل مشاكل CT mismatch من خلال طريقتين
تم حل مشاكل الCT mismatch وExternal fault ومشاكل اخرى تتعلق بحماية المحولات مثل inrush current وphase shift من خلال طريقتين
1- Biased Differential relay او Low impedance differential protection
2- High Impedance Differential protection
نبدا بالLow impedance differential
تم حل كل المشاكل من خلال coilاضافي يسمى Restrain Coil ترجمته ملف الكبح لتقييد التشغيل الخاطئ بسبب اي مشكلة تم ذكرها.
والان اصبح قرار الـ Trip مسؤول عنه عنصرين
operating coil و restrain Coil
اذا كانت قيمة التيار التفاضلي Iop اعلى من تيار الكبح Irestrain يرسل الـ relay اشارة الفصل
اما اذا كانت محصلة تيار biased الذي يمر بالـ Restrain coil اعلى من الـ operational coil لن يصدر الـ relay اشارة الفصل Trip
تيار الكبح او الـ Biased current او restrain current يساوي (I1+I2) /2
كلمة biased تفيد بان relay يميل "منحاز" لعدم ارسال
trip signal
بالمثال الاول بالرغم من وجود فرق 0.5A مابين التيارين حول منطقة الحماية الا انه لن يتم ارسال اشارة الفصل
اما بالمثال الثاني فان محصلة الفرق بين التيارين 19A لذلك يصبح القرار بالفصل صحيح وبالتالي تم معالجة المشاكل السابقة
الان اصبح المبدأ انه من اجل ارسال اشارة الـ Trip يجب ان يكون differential current على الـ Operating coil اعلى من restrain current ولكن مقدار الفرق والزيادة بينها يجب ان تحددها بنسبة مئوية معينة ترمز بـ K
ورياضيا يُعتبر نسبة الميل مابين تيار التشغيل ل relay وتيار الكبح restrain
ومن هنا اعطو هالتكنيك مصطلح " percentage differential protection" من خلال علاقة مابين الـ operating current وRestraining current من خلال الـ Slope ليجعل هناك استقرار للحماية التفاضلية ومعالجة مشاكل الـ CT mismatch و other parameters الخاصة بالـ power transformer
الان اصبح الشرط وقرار الفصل trip بيد النسبة المئوية بين restrain والـ Op coil.
مثلا لو اخترت الـ Slope 10% يعني يجب ان يكون التيار التشغيل التفاضلي اعلى ب10% من محصلة تيار الـ Restrain
فلو كانت محصلتهم النسبة مابين تيار الrestrainوالـ op في المنطقة اعلى الslope يتم ارسال Trip
بهذا الـ behavior سيتم ارسال اشارة الفصل في حال fault حقيقي بداخل الـ zone وسيتم تجاهل الاخطاء الناتجة عن الـ CT mismatch او الـ external fault
وبالمثال في حال تيار قصر 1000A نجد ان هذا النموذج استقر في حال العطل الخارجي وبالتالي تم حل المشكلة
وفي هذا المثال تم استخدام slope بـ 25% وفي حال Fault في داخل الـ zone قرار الـ trip لانه المحصلة كانت اعلى من slope setting
نلخص الكلام بالقول انه يصدر قرار Low impedance differential بالـ Trip اذا كانت النسبة مابين تيار operation coil والـ restrain coil اعلى من هالslope
الذي يسمى فكاتالوج الـ relay بالـ Tap setting
الجزء المرفوع من الـ slope يتم ضبطه باعدادات اي 87Relay عشان مايشتغل ويعطيك trip signal اول ماتشتغل الpower transformer بسبب inrush current
وكل هذه التعديلات على الـ slope الغرض منه محاولة للتأكد من ان الـحماية التفاضلية لاتعطي أمر الاخلاء بسبب عطل خارجي.
كيف رح يأثر عطل خارجي على 87Relay؟
بسبب مشكلة وصول احد CT القريب من العطل الخارجي ع اطراف الـ 87 لSaturationواللي يصبح فيها تيار الثانوي بصفر
كيف نحل هالمشكلة؟
قالك خلاص الحل عطني اكثر من من منحنى slope.
وخله منخفض جدا بالتيارات القليلة وارفعه بالتيارات العالية وعند حدوث Saturation
لذلك عند اختبار الوقاية التفاضلية يتم تجربة نقاط test point
لمحاكاة تيار عطل داخلي وخارجي حول الـ slope ونشوف هل الـ relay رح يتخذ قرار الـ trip او لا.
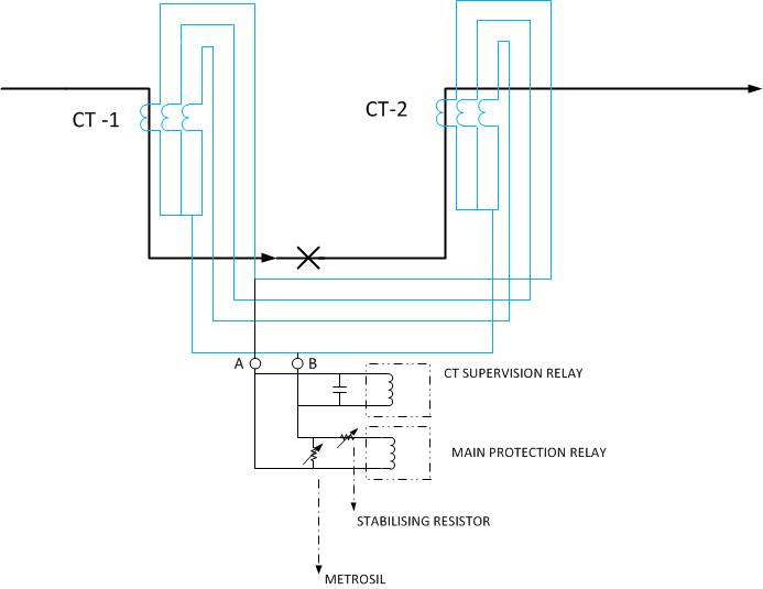
وانظمة الوقاية للمحطات الحديثة تكون الـ relays الخاصة بالـوقاية التفاضلية مزودة بخوارزمية لاكتشاف حالات ال Saturation و ايضا تجد انه هناك CT supervision relay متصل مع الdifferential relay بالتوازي وكل هذه الاحتياطات للمزيد من الاستقرار تجاه الاعطال الخارجية
الـ multifunctional relays الحديثة اصبحت تستخدم خوارزمية بالـ saturation detector من خلال الاعتماد على time delay مابين ارتفاع تيار restrain وoperation coil كمؤشر الى انه احد CTدخل بالsaturation.
-
وكذا صرنا جاهزين لفهم منظومة الوقاية للقضبان
سيتم شرحها في ثريد اخر.

جاري تحميل الاقتراحات...