𝘈𝘯𝘢𝘴
𝘈𝘯𝘢𝘴

@EngAnas8_

25 تغريدة 9 قراءة May 21, 2023
هنا ثريد يختصر كل ما تحتاج معرفته عن محول التيار Current transformer أهم عنصر في منظومة ال Protection والذي يعتبر بمثابة العين التي تراقب تدفق التيار بمكان مخصص له في المنظومة ومن دونه لايستطيع جهاز الوقاية اتخاذ القرار بارسال امر الفصل في حال الـ fault
تصميم منظومة protection يعتمد على تقسيم المنظومة الى zones وكل zone يتم تحديدها من خلال كيفية تركيب الـ CT وهنا المقصود ترتيب قطبية الـ CT بالنسبة لـ primary side (P1 &P2) والـ secondary side (S1 & S2)
وخذها قاعدة انه الجزء المأرض بالـ CT يكون ناحية ال protected equipment/zone
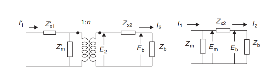
وهندسيا نحتاج ل model يترجم مبدأ عمل ال CT من اجل توظيفه حسب امكانياته و اخذ بعين الاعتبار جوانب القصور فيه
الـ Zb او بما تعرف الـ Burdenتمثل الImpedance لـ Relaysالمتصل بCT او الـ Metering Unitاو أي جهاز مثلا AVR مع الأخذ بعين الاعتبار الـ Impedance الخاص بالكابل وطوله
•عملية تحويل التيآرفي الـ Primary والذي يمر بالـ Main BB بالـCT Primary side تقوم بمغنطة الـ Coreوبالتالي ينشأ التيار الثانوي في الـ Secondary side وأيضا تيار الـ Magnetization current الذي يسمى أيضا Excitation current وهو كما يتضح من الـ Characteristic يعتبر Non-linear
اذا هو المتسبب بالـ Errorوphase shift ونسبة الخطأ يتم اخذها بعين الاعتبار عند الحسابات الخاصة باختيار الـCT المناسب اذا ما protection relay او Metering
•كلما زاد الـ Burden على الـ CT Sec كلما زاد التيار المسحوب من خلال زيادة Magnetizing current ثم سوف يحدث تشوه في التيار Is
وبهذا تنخفض دقة قياس التيار كلما اقتربCTمن منطقة الـ Saturation
•لذلك نجد ان من اهم شروط تنفيذ حماية القضبان من نوع High Impedance BB ان تكون محولات التيار لديها Low Magnetizing current من اجل ضمان دقة عالية في حساسية الشعور بتيار الخطأ Fault على الـ BB
•لذلك عملية اختيار الـ Relay مهم ان يتناسب الBurden الخاص به مع إمكانيات الـ CT أي انه كلما كان الـ VA او الـ Relay Burden اقل ما يمكن كلما كان افضل واخذ بعين الاعتبار اطوال الكابلات
ويجب ان يتحقق شرطين
1- Relay Burden < CT Burden
2- ان يكون الجهد Knee Point لـ CT اعلى بكثير من الجهد على اطراف الـ Secondary عند توصيل الـ Relay
•ويلزم ان يعمل الـ CT بمنطقة الـ Linear وما يقترب من الـ Knee point لانه بعدها يبدا التخبيصألـ Saturation
•يتم حساب جهد
knee point : Vknee= Isecx ALF x ( Rburden+ Rct)
•دائرة الـ Secondary لـ CTيجب ان يكون اما متصل بالـ Relay او Short Circuit لأطرافه والا يترك Open Circuit
بأي حال من الأحوال والا رح تصير كارثة تؤدي الى حرق أي شخص قريب من الـ SWGR او ال GIS
وسبب الكوارث التي تحدث بسبب Open Circuit CT secondary هو انه في هذه الحالة يرى الـ CT بجانبه الثانوي مقاومة لانهائية مع استمرارية تدفق التيار ينشأ جهد رهيب في الدائرة المفتوحة مما تؤدي الى كارثة
لذلك يشترط دائما أنه لا يُسمح العمل على الـ CT وهو Energized
وتُعرف ال Knee Point بانها المرحلة التي يصل لها الـ CT والتي تتسب بها زيادة الـجهد على الـ Secondary بزيادة في الـ Magnetization current بـ 50% والتي يدخل بعدها مباشرة الـ CT في مرحلة الـتشبع Saturationبسبب الزيادة الكبيرة في تيار الـ Primary
مما يتناسب طرديا بزيادته الى زيادة بالـ Magnetic fluxلمستويات عالية لايستطيعالـ Core تحمله" يمكن تشبهه بخزان الماء وهو مليان "الى ان يصبح هناك عجز في تزايد الـ فيض المغناطيسي Magnetic flux بالنسبة للزمن . لذلكCT في الـ Protection لديها knee point اعلى من المستخدمة في metering
•مواصفات Metering CTsمثل 0.2Fs10
-تمتاز بدقة عالية High accuracy بنسبة خطأ قليلة وذلك منطقي لحساب الاستهلاك
-Low Burden , Low Saturation Voltage
•مواصفات Protection Relay مثل 5P20
-Low Accuracy لأنه لحظة الـ Fault لايهم الـ Relay قياسقيمة التيار بدقة
-High Saturation Voltage
ماذا يحدث لو دخل الـ CT لمرحلة الsaturation؟ يصبح أداء ال CT غير صحيح إما انه لن يكون هناك تيار ثانوي بسبب العجز في الفيض المغناطيسي بالتزايد لوصوله للتشبع او قد ينشأ تيار مشوَه Distortion او تيار خاطئ قد يسبب بتشغيل خاطئ للـ Relay بسبب قراءات خاطئة
مشكلة تحصل عند أيfault لمايصلCTللتشبع ومن ثم ظهور DC offset بسبب بقايا الفيض المغناطيسي على الـ Core بما يسمىResidual flux بالتالي تصبح قراءة الـ CT خاطئة وتزيد حرارته وهذا ما يحدث في أنظمة الحماية لـ Line Protection من خلال Auto-Reclosureوالتي مع تراكمها تؤدي الى Saturation
إذا كيف يتم حل مشكلةResidual flux الناشئة من ال Transient Fault؟ يتم من خلال عمل CT Demagnetizing تسليط جهد على الـ Sec terminals لـ CTورفعه تدريجيا حتى يتجاوز الـ Knee Point ومن ثم خفضه تدريجيا الى الصفر وبالتالي نتخلص منResidual fluxمن خلال الجهد المعاكس على Sec terminal
•لذلك هناك Classمن CT تمتلك خاصية التخلص من Residual flux مثل الـ TPZ. ومع تطور Relays اصبح بالإمكان ان يتم اهمال التيارات الناشئة من بقايا الفيض Subsidence Current التي تستمر بالـ Secondaryبعد CB Trippingوبالتالي لن يتم فهمه على انه CBFحتى لايتسببهذه التيار بفصل خاطئ
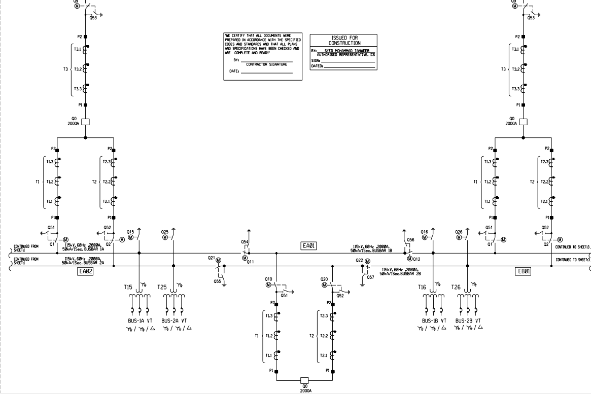
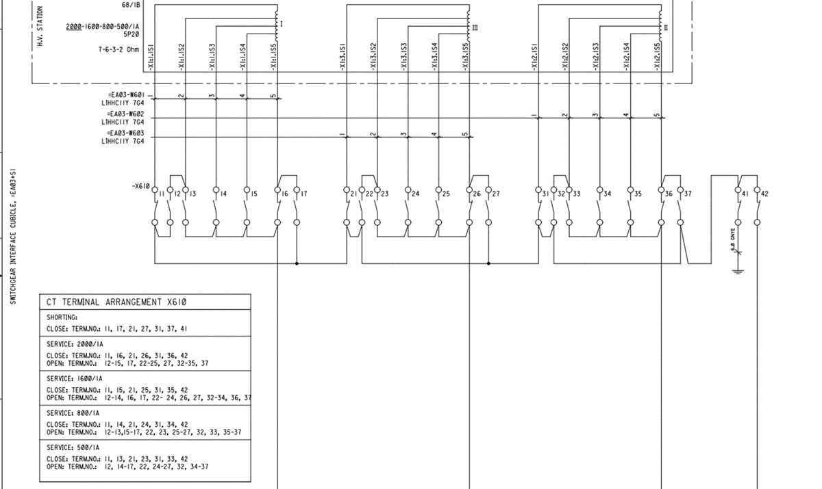
هنا -Drawing لمحطة 115kVموضح بأماكن CTs وعدد الـ Coresوكيفية وضعه بالنسبة لـ Polarityأي أماكن الـ P1 و P2 حيث انه هنا تم وضعـ P1ناحية الـ Protected zone
كيـف تقرأ بيانات الـ : CT
Standard Class Designation
ناخذ مثال5P20 حسب drawings: وجود حرف P يدل على استخدامه مع protection relay ولديه 4 Coresبنسب تحويل مختلفة ويدل وجود خط تحت 2000 ان هذا الcore هو المستخدم ويعني لو مر تيار قيمته A2000 على primaryسوف يقابله 1A على Secondary
5 تعني دقة قياس التيار او Error percentage limit %
20وتسمى بالـ Rated Accuracy limit او Accuracy Limit factor ALF تعني انه اثناء مرور (40kA) =20 x Irated فأن نسبة الخطأ لاتتجاوز5% عند جهد 20V وهو الجهد maximum allowable voltage على اطراف الـ CT قبل الدخول بمرحلة الـ Saturation
لكن اثناء مرور الـ rated current لن يتجاوز 1%
وأيضا يدل الـ ALF هنا بقيمة 20 على انه هذا الـ CT لن يدخل مرحلة الـ Saturation في حال مر تيار اقل من 20xIrated current
يتم حساب جهد knee point : Vknee= Isecx ALF x ( Rburden+ Rct)
وبالتالي يتناسب ALFعكسياً مع الـ Rburden
هنا100VA: وهذا يعني ان الـ Burden لـ CTيصل الى 100VA
وهذايتطلب ان لا تتجاوز قيمة الـ Burden لـ connected relays+ المقاومات لـ CT loops cable الـ 100VA لكي لا يدخل الـ CT مرحلة الـ Saturation
أيضا يمكن حساب الـ Magnitude of Magnetizing Impedance من خلال 20VA/(0.05x20x1A)=20 Ω
Worked Example:
CT Wiring Control Cable using 4mmSqr or greater
From CT name plate.
CT reisistance Rct=7Ohm
CT Class: 5P20
CT ratio 2000/1
CT Burden 100VA
Knee Voltage =1700 V
Internal Burden=7 VA
Distance between LCC panel and Protection panel = 50m
Relay : 7UT87 : Burden=0.1 VA
الـ Drawing الخاص بالـ CT وكيفية اختيار الـ Required Turns ratio
يجب تأريض الـ CTمن نقطة واحدة والا سوف يحدث تفرع للتيارات وبالتالي قراءات خاطئة

جاري تحميل الاقتراحات...