#Design_pinned_support_in_concrete_structures
#تحقيق_التثبيت_المفصلي_في_المنشآت_الخرسانية :
لماذا تم قنش أسياخ الحديد بهذه الطريقة؟⁉️🤔 ما الغرض من ذلك ؟؟ وما رأي الكود في هذه الطريقة ⁉️🤔
⚠️#ثريد_هام يجيب عن كل ذلك
فضلا و ليس أمراً متابعة و ريتويت و اعجاب حتى تعم الفائدة ❤✅
#تحقيق_التثبيت_المفصلي_في_المنشآت_الخرسانية :
لماذا تم قنش أسياخ الحديد بهذه الطريقة؟⁉️🤔 ما الغرض من ذلك ؟؟ وما رأي الكود في هذه الطريقة ⁉️🤔
⚠️#ثريد_هام يجيب عن كل ذلك
فضلا و ليس أمراً متابعة و ريتويت و اعجاب حتى تعم الفائدة ❤✅
مما يولد عزم فتل(Torsion moment) وتحديدا compatibility Torsion. عموما في المنشأت الخرسانية لتحقيق تثبيت كامل ( full Support ) معين سواء (pinned, fixed, roller )بين اتصال العناصر الامر #معقد مقارنة مع المنشآت المعدنية نظرا لان الخرسانة المسلحة مادة غير متجانسة(non-homogeneous).
1/#Neoprene_plate_Hinge:
عبارة عن الواح من الصلب بينها شرائح من المطاط المضغوط توضع بين العمود والكمرة او القاعدة حتى تسمح بالحركة الافقية والدوران (Roller support).ولجعلها(pinned support)يتم تثبيتها باسياخ حديد لتقيد الحركة الافقية فتسمح بالدوران فقط وتستخدم بكثرة في الكباري
عبارة عن الواح من الصلب بينها شرائح من المطاط المضغوط توضع بين العمود والكمرة او القاعدة حتى تسمح بالحركة الافقية والدوران (Roller support).ولجعلها(pinned support)يتم تثبيتها باسياخ حديد لتقيد الحركة الافقية فتسمح بالدوران فقط وتستخدم بكثرة في الكباري
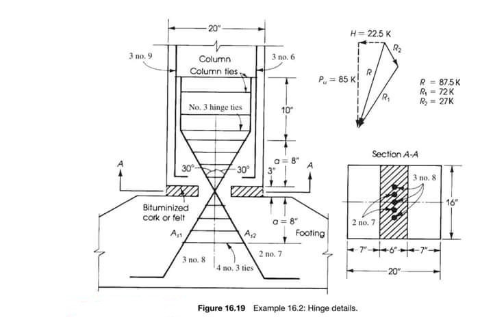
2/#Cross_bars_hinge :
عبارة عن عدد من الاسياخ(لا تقل عن 3 اسياخ) توضع بزاوية(30-60) درجة تسمح بدوران الوصلة بين العناصر وتستخدم بكثرة لعمل intermediate hinge عن طريق نقل قوى القص وردود الافعال بدون العزوم .
عبارة عن عدد من الاسياخ(لا تقل عن 3 اسياخ) توضع بزاوية(30-60) درجة تسمح بدوران الوصلة بين العناصر وتستخدم بكثرة لعمل intermediate hinge عن طريق نقل قوى القص وردود الافعال بدون العزوم .
3/#Spiral_hinge :
عبارة عن cross bars ولكن مع اضافة كانات حلزوني تستخدم غالبا في الوصلات بين القواعد والاعمدة ولتفادي تصميم العزوم المنتقله من العمود للقاعدة .
عبارة عن cross bars ولكن مع اضافة كانات حلزوني تستخدم غالبا في الوصلات بين القواعد والاعمدة ولتفادي تصميم العزوم المنتقله من العمود للقاعدة .
#الخلاصة :
في المنشأت الخرسانية يتم اللجؤ لتفاصيل الحديد بالاضافة relative Stiffness لخلق pinned support للوصلات بين العناصر كي لا يتم نقل عزوم بين العناصر .
في المنشأت الخرسانية يتم اللجؤ لتفاصيل الحديد بالاضافة relative Stiffness لخلق pinned support للوصلات بين العناصر كي لا يتم نقل عزوم بين العناصر .
#أخيرا :
تستخدم بكثرة الـ Neoprene plate في أعمدة الكباري .كي لا يتم نقل عزوم بين الاعمدة والكمرات أو الاعمدة والقواعد. ولان الكباري غالبا ما تصمم كي تكون determinate structure (محددة استاتيكا)
تستخدم بكثرة الـ Neoprene plate في أعمدة الكباري .كي لا يتم نقل عزوم بين الاعمدة والكمرات أو الاعمدة والقواعد. ولان الكباري غالبا ما تصمم كي تكون determinate structure (محددة استاتيكا)
نظرا لكون المنشأت المحددة الاستاتيكا تأثرها بالهبوط والتمدد الحراري قليل مقارنة مع المنشأت indeterminate structure . تسمى الـ Neoprene plate في #بعض المراجع بـ (Lead plate hinge ).
جاري تحميل الاقتراحات...