Bassam Alshabrawi ⚡️
Bassam Alshabrawi ⚡️

@Bassam_Atif

11 تغريدة 256 قراءة Sep 10, 2021
رأينا في ثريد Boost Converter أنه يقوم برفع جهد DC ورأينا أيضا في ثريد Buck Converter أنه يقوم بخفض جهد DC، لكن هل هناك دائرة تقوم بكلا العمليتين؟!
نعم وهي دائرة Buck-Boost Converter، دعونا نتعرف عليه باختصار.
#هندسة_كهربائية
للرجوع إلى ثريد Boost Converter
وللرجوع إلى ثريد Buck Converter
Buck-Boost Converter
هي عبارة عن محول (DC/DC Converter) تعمل على تحويل جهد DC من قيمة مرتفعة إلى قيمة أقل (Buck) أو العكس (Boost) باستعمال دائرة إلكترونيات القوى (Power Electronics Circuit)، وتقوم أيضا بتحويل التيار من قيمة منخفضة إلى قيمة أعلى أو العكس ، أي أن القدرة ثابتة.
•مكونات
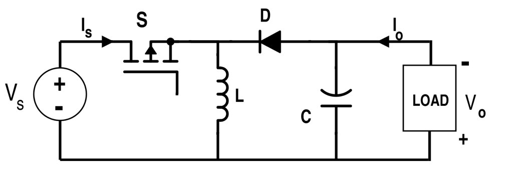
كما نرى بالدائرة المبينة بالصورة أدناه فإنها تتكون من:
١- مصدر جهد DC.
٢- مفتاح إلكتروني (Electronic Switch) ومن أشهرها MOSFET و IGBT .
٣- محث (Inductor)
٤- دايود
٥- مكثف (Capacitor)
٦- الحمل الذي سيتم تغذيته بجهد الخرج (Vout)، ونلاحظ أن قطبيته عكس قطبية المصدر.
•آلية العمل
كما تم تقسيم آلية عمل Buck Converter و Boost Converter إلى قسمين، أيضا يمكننا تقسيم آلية العمل إلى قسمين هما :
١- المفتاح الإلكتروني (ON)
٢- المفتاح الإلكتروني (OFF)
وسنتحدث عن كل قسم.
١- المفتاح الإلكتروني (ON)
في هذه الحالة يتم تمرير التيار من المصدر إلى المفتاح الإلكتروني إلى الملف ليتم تخزين الطاقة فيها دون المرور إلى الجانب الآخر (الحمل) كما هو مبين بالصورة أدناه.
٢- المفتاح الإلكتروني (OFF)
الآن وبعد أن تم فتح المفتاح الإلكتروني سيتم تفريغ الطاقة التي تم تخزينها في الملف إلى الحمل كما هو مبين بالصورة أدناه ،وسيبدأ المكثف بتخزين الطاقة، ونلاحظ أن اتجاه تيار الحمل معاكس لاتجاه تيار المصدر ،بمعنى أن قطبية جهد الحمل معاكسة لقطبية جهد المصدر.
وكما هو الحال في Buck Converter و Boost Converter ، أيضا جهد الخرج (Vout) في Buck-Boost Converter يعتمد على قيمة Duty Cycle ،والتي تعطى بالعلاقة الموجودة بالصورة أدناه ، ويعمل ك Buck إذا كانت قيمة D أقل من 0.5، ويعمل ك Boost إذا كانت قيمة D أكبر من 0.5 وأقل من 1.
و يجب التنويه أن العلاقة السابقة مبنية على عدة افتراضات أهمها :
١- مقاومة المحث تساوي صفر وفي الواقع لا تساوي صفر.
٢- الدايود مثالي أي أن الجهد فيه يساوي صفر، وفي الواقع قيمة الجهد بين طرفيه تعتمد على شبه الموصل المصنوعة منها.
يتبع
٣- الترانزيستور (المفتاح الإلكتروني) أيضا مثالي وفي الواقع ليست كذلك ، وفي حال إن أردنا أخذ مفاقيد الدايود والترانزيستور في الحسبان تصبح العلاقة كالموجودة بالصورة أدناه.
٤- سعة المكثف كبيرة جدا وبالتالي جهد الخرج ثابت، وفي الواقع ليست ثابتة، بل تحتوي على تموجات (Ripples).

جاري تحميل الاقتراحات...