رأينا في ثريد Boost Converter أنه يستخدم لرفع مستوى جهد نظام DC وذلك ليتناسب مع بعض التطبيقات، لكن ماذا عن خفض مستوى جهد DC؟ وهل يوجد محول يعمل على ذلك؟
نعم وهو Buck Converter، دعونا نتعرف عليه وعلى آلية عمله باختصار.
#هندسة_كهربائية
نعم وهو Buck Converter، دعونا نتعرف عليه وعلى آلية عمله باختصار.
#هندسة_كهربائية
للرجوع إلى ثريد Boost Converter
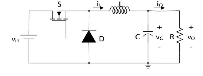
Buck Converter
هي عبارة عن محول (DC/DC Converter) تعمل على تحويل جهد DC من قيمة مرتفعة إلى قيمة أقل باستعمال دائرة إلكترونيات القوى (Power Electronics Circuit)، وتقوم أيضا بتحويل التيار من قيمة منخفضة إلى قيمة أعلى، أي أن القدرة ثابتة عند عملية التحويل.
هي عبارة عن محول (DC/DC Converter) تعمل على تحويل جهد DC من قيمة مرتفعة إلى قيمة أقل باستعمال دائرة إلكترونيات القوى (Power Electronics Circuit)، وتقوم أيضا بتحويل التيار من قيمة منخفضة إلى قيمة أعلى، أي أن القدرة ثابتة عند عملية التحويل.
•آلية العمل
كما لاحظنا في دائرة Buck Converter فإن مكوناته هو نفس مكونات دائرة Boost Converter مع تغيير في ترتيب الدائرة، وهذا ما يؤدي إلى اختلاف آلية العمل بينهما، ويمكننا تقسيم آلية العمل إلى قسمين هما :
١- المفتاح الإلكتروني (ON)
٢- المفتاح الإلكتروني (OFF)
وسنتحدث عن كل قسم.
كما لاحظنا في دائرة Buck Converter فإن مكوناته هو نفس مكونات دائرة Boost Converter مع تغيير في ترتيب الدائرة، وهذا ما يؤدي إلى اختلاف آلية العمل بينهما، ويمكننا تقسيم آلية العمل إلى قسمين هما :
١- المفتاح الإلكتروني (ON)
٢- المفتاح الإلكتروني (OFF)
وسنتحدث عن كل قسم.
و يجب التنويه أن العلاقة السابقة مبنية على عدة افتراضات أهمها :
١- مقاومة المحث تساوي صفر وفي الواقع لا تساوي صفر.
٢- الدايود مثالي أي أن الجهد فيه يساوي صفر، وفي الواقع قيمة الجهد بين طرفيه تعتمد على شبه الموصل المصنوعة منها.
يتبع
١- مقاومة المحث تساوي صفر وفي الواقع لا تساوي صفر.
٢- الدايود مثالي أي أن الجهد فيه يساوي صفر، وفي الواقع قيمة الجهد بين طرفيه تعتمد على شبه الموصل المصنوعة منها.
يتبع
مصادر الصور بالترتيب :
١- richtek.com
٢- latexdraw.com
٣- en.m.wikipedia.org
٤- en.m.wikipedia.org
٥- powerelectronicsnews.com
٦- powerelectronicsnews.com
انتهى
@rattibha
١- richtek.com
٢- latexdraw.com
٣- en.m.wikipedia.org
٤- en.m.wikipedia.org
٥- powerelectronicsnews.com
٦- powerelectronicsnews.com
انتهى
@rattibha
powerelectronicsnews.com/power-supply-d…
latexdraw.com/dc-dc-buck-con…
How to draw a DC/DC Buck Converter in LaTeX using CircuiTikZ - TikZBlog
In this tutorial, we will learn how to draw a dc-dc buck converter in LaTeX using CircuiTikZ package...
en.m.wikipedia.org/wiki/Buck_conv…
richtek.com/battery-manage…
جاري تحميل الاقتراحات...