Bassam Alshabrawi ⚡️
Bassam Alshabrawi ⚡️

@Bassam_Atif

11 تغريدة 34 قراءة Aug 08, 2021
أحيانا في نظام DC نحتاج إلى أن نرفع الجهد ليتناسب مع الجهد المطلوب كالجهد الناتج من الأنظمة الشمسية، وكما نعلم أن المحول الكهربائي (Transformer) يعمل فقط على نظام AC ولا يعمل على نظام DC فما العمل؟
المحول المستخدم لذلك هو Boost Converter،دعونا نتعرف عليه باختصار.
#هندسة_كهربائية
Boost Converter
هي عبارة عن محول (DC/DC Converter) تعمل على تحويل جهد DC من قيمة منخفضة إلى قيمة أعلى باستعمال دائرة إلكترونيات القوى (Power Electronics Circuit)، وتقوم أيضا بتحويل التيار من قيمة عالية إلى قيمة منخفضة، أي أن القدرة ثابتة عند عملية التحويل.
•مكونات
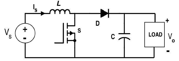
كما نرى بالدائرة المبينة بالصورة أدناه فإنها تتكون من:
١- مصدر جهد DC.
٢- محث (Inductor)
٣- مفتاح إلكتروني (Electronic Switch) ومن أشهرها MOSFET و IGBT .
٤- مكثف (Capacitor)
٥- دايود.
٦- الحمل الذي سيتم تغذيته بجهد الخرج (Vout).
•آلية العمل
يمكننا تقسيم آلية العمل إلى قسمين هما :
١- المفتاح الإلكتروني (ON)
٢- المفتاح الإلكتروني (OFF)
وسنتحدث عن كل قسم.
١- المفتاح الإلكتروني (ON)
في هذه الحالة سيتم تمرير التيار من المصدر إلى المحث ثم إلى المفتاح الإلكتروني كما هو مبين بالصورة أدناه، وسيتم شحن المحث لفترة زمنية معينة أي سيكتسب فرق جهد، ولن يتم تمرير تيار في الطرف الآخر.
٢- المفتاح الإلكتروني (OFF)
بعد أن تم شحن المحث إلى فترة زمنية محددة سيتم فتح المفتاح ليتم تفريغه إلى الطرف الآخر وسيبدأ المكثف بتخزين الطاقة، و عند تطبيق قانون كيرشوف سنجد أن جهد الخرج ازداد لأن جهد تغذية الحمل أصبح من المصدر الرئيسي بالإضافة إلى جهد المحث الذي تم شحنه.
يتبع
لكن ما الذي يضمن لنا عدم تمرير التيار من المحث إلى الطرف الآخر من الحمل؟
الجواب هو وجود الدايود ووضعه بالطريقة الموجودة بالصورة السابقة، حيث أنها تضمن للتيار في أن يسير في اتجاه واحد، أيضا يضمن لنا عدم تمرير التيار من المكثف إلى الطرف الآخر من الحمل.
لكن على ماذا تعتمد قيمة جهد الخرج التي سيتم إنتاجها؟
الإجابة هي على قيمة Duty Cycle (D) والتي تعرف بأنها نسبة الفترة الزمنية لحالة المفتاح الإلكتروني (ON) على الفترة الزمنية كاملة للدورة الواحدة، وكلما زادت D ازدادت معها قيمة جهد الخرج (Vout) والتي تعطى بالعلاقة الموجودة أدناه.
و يجب التنويه أن العلاقة السابقة مبنية على عدة افتراضات أهمها :
١- مقاومة المحث تساوي صفر وفي الواقع لا تساوي صفر.
٢- الدايود مثالي أي أن الجهد فيه يساوي صفر، وفي الواقع تعتمد على شبه الموصل المصنوعة منها.
يتبع
٣- الترانزيستور (المفتاح الإلكتروني) أيضا مثالي وفي الواقع ليست كذلك
، وفي حال إن أردنا أخذ مفاقيد الدايود والترانزيستور في الحسبان تصبح العلاقة كالموجودة بالصورة أدناه.
٤- سعة المكثف كبيرة جدا وبالتالي جهد الخرج ثابت، وفي الواقع ليست ثابتة، بل تحتوي على تموجات (Ripples).

جاري تحميل الاقتراحات...