﮼زُبيدة🍃
﮼زُبيدة🍃

@_zubaida97

10 تغريدة 26 قراءة Jun 27, 2021
بما اني اليوم كملت سنة و شهر من سلمت مشروع تخرجي ، بعطيكم نبذة مبسطة عنه في ثريد يمكن يكون شويه طويل:
طبعًا لاني مهندسة كيميائية سويت مشروعي عن تصميم مصنع لتصنيع كربونات الكالسيوم
ليش كربونات الكالسيوم ؟
لانها تستخدم تقريبا في كل الصناعات من تنقية المياة و صناعة مواد البناء ، الزراعة، الادوية، انتاج الاغذية و الكثير من الصناعات. باختصار حاجة الناس لها كثيره حتى في مجال الكليات و الجامعات يحتاجوها عشان يستخدموها في تجاربهم لانها مادة غير ضارة و ما تسبب اي ضرر.
كربونات الكالسيوم موجودة في حياتنا و نقدر نستخلصها بكل سهولة من هياكل الحيوانات البحرية او الحلزونات او حتى من قشر البيض. نقدر حتى نستخرجها من الطبيعة، عمان دوله ثرية بالمعادن و كل ما رحنا اي مكان فيها نشوف جبال لونها بني فاتح او ترابي و حزروا ايش ؟
هذي الجبال الي تسمى بالجبال الجيرية مليئة بكربونات الكالسيوم و تحتوي على تقريبا ( 85%) منها . ( على حسب شركة اسمنت عمان )
لكن مشروعي هدفة الاساسي هو الحفاظ على البيئة و بما ان عمان تملك ٢٨ شركة تصنع الرخام و كثير من الشركات تطلع ثاني اكسيد الكربون كنفايات،
تمت دراسة المشروع انه يكون كل من مخلفات الرخام ( الي تحتوي على 54.5٪ من الكالسيوم) و ثاني اكسيد الكربون ( الي هي بطبيعة الحال مخلفات ) لمنتج جديد الي هو كربونات الكالسيوم.
باختصار ، بدل استيراد السلطنة لهذا المنتج ، عمان بتحصل اكتفاء منه و اتبدأ تصدره للخارج.
انزين و مخلفات الرخام معنا هل تعتبر مشكلة ؟
صرحت شركة عالم الاحجار الطبيعية انه الشركات العمانية تعاني كثير من مخلفات الرخام المتكدسة بشبه يومي. و عدد شركات الرخام في عمان كما موجود في جوجل ماب تقريبا ٢٨ شركة . فلكم ان تتخيلوا الكمية !
بعد دراسة الجانب المالي للمشروع ، تكلفته الانشائية -فقط- راح تكلف قرابة المليون ريال عماني ! لكنها راح تساعد في دفع عجلة التنمية في السلطنة وتفتح فرص وظيفية نفس الشيء.
طبعا سلمت مشروع تخرجي في فترة كورونا و الكثير من التحديات الي واجهتني خلتني اتعلم برامج جديدة عشان اسوي المشروع اولهم برنامج DWSIM نيابةً عن برنامج الاسبن هايسس عشان اصمم المشروع في البرنامج و اتاكد من الخطوات .
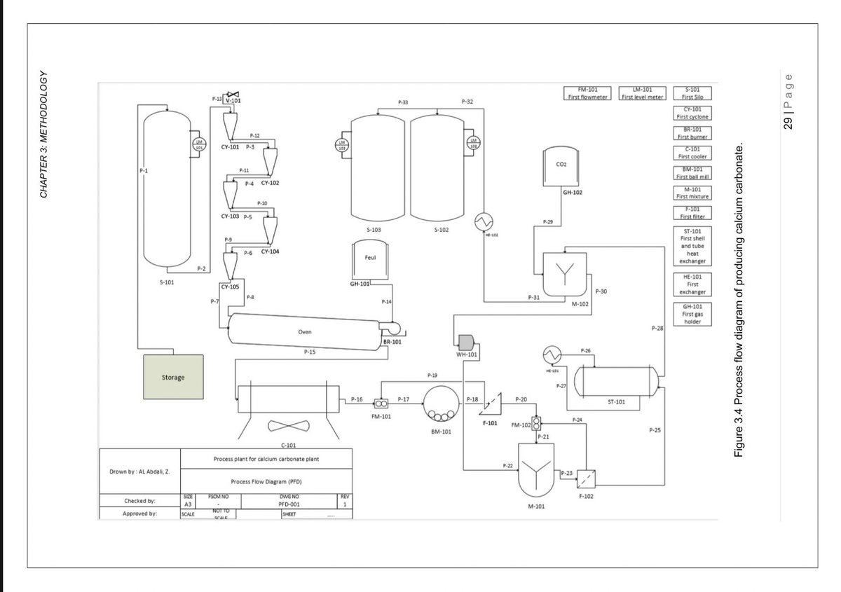
نفس الشيء تعلمت برنامج ما كنت اعرف اصلا انه الاوفيس تقدمه مع حزمة الwordو ربعه ،كان اسمه visio علمني كيف ارسم مخطط للعملية الي تصير داخل المصنع او ما يسمى بالprocess flow diagram الي ما علمونا اساسيات رسمها لكن بخبرتي السابقة في التدريبات الي اخذته في الشركات ساعدني كثير اسويه💓
شاركت بمشروعي في الملتقى الهندسي بجامعة السلطان و حصلت المركز الاول على مستوى مجال المصانع الكيميائية . و نرلته في كذا مجلة الكترونية و لله الحمد.
نهايةً ملخص مشروعي في الرابط ادناه الي حاب انه يتصفحه ❤️
dx.doi.org

جاري تحميل الاقتراحات...