Bassam Alshabrawi ⚡️
Bassam Alshabrawi ⚡️

@Bassam_Atif

9 تغريدة 25 قراءة Jun 30, 2020
في الثريد السابق تحدثنا عن النوع الأول من AC/AC CONVERTER وهو AC Voltage Controller، والذي يقوم بتغيير قيمة Vrms، وفي هذا الثريد سنتحدث عن النوع الثاني والذي يقوم بتغيير قيمة التردد، أو تغيير قيمتي Vrms والتردد، وهوCycloconverter.
@Electric_Engg
للرجوع إلى ثريد AC Voltage Controller 👇🏻
Cycloconverter
هي دائرة من دوائر AC/AC CONVERTER والتي تعمل على تحويل التردد من قيمة لأخرى في خطوة واحدة، أي دون المرور ب DC، وتستطيع أيضا تغيير قيمة جهد Vrms.
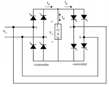
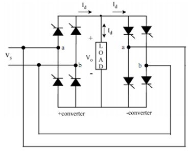
تتكون دائرة Cycloconverter من دائرتي SCR Bridge Rectifier، أحدهم للنصف الموجب، والآخر للنصف السالب، كما هو مبين في الصورة أدناه، ويمكن تقسيم Cycloconverter من ناحية أدائه إلى قسمين هما :
1- Step down Cycloconverter
2- Step up Cycloconverter
وسنتحدث عن كل قسم على حدة.
1- Step down Cycloconverter
وفيها يتم خفض قيمة التردد، ويمتاز بخاصية natural commutation ،أي أن SCR يتحول إلى حالة OFF تلقائيا عند وصول تيار AC إلى صفر ، وطريقة عملها كما هو موضح بالصور.
عند حساب قيمة Vrms، سنجد أنها نفس قيمة Vrms قبل خفض ترددها، ومن هنا نستنتج أن خفض التردد باستخدام cycloconverter لا يؤثر في قيمة Vrms.
ومع ذلك يوجد طريقة لتقليل التردد وفي نفس الوقت تقليل قيمة Vrms، وذلك بزيادة زاوية التشغيل firing angle، فكلما زادت زاوية التشغيل كلما قلت قيمة Vrms كما فيها الصورة أدناه.
2- Step up Cycloconverter
وفيها يتم رفع قيمة التردد، ويحتاج إلى forced commutation لتحويل SCR إلىOFF،فتصبح الدائرة أكثر تعقيدا، لذا فهو ليس عملي، أيضا التطبيقات تتطلب تردد أقل من 50/60 هيرتز، وهذا أيضا سبب كونه غير عملي، وطريقة عملها كما هو مبين بالصورة أدناه .
تستعمل Cycloconverter (step down) في التحكم في المحركات الضخمة، وذلك للقدرة والكفاءة العالية التي تمتاز بها، ومن ذلك :
١- محرك مطحنة الأسمنت.
٢- محرك دفع السفن.
انتهى
@Rattibha

جاري تحميل الاقتراحات...