Dr. Fahad Alsokhiry
Dr. Fahad Alsokhiry

@alsokhiry

4 تغريدة 2 قراءة Dec 15, 2022
المكثف Capacitor
هو من العناصر المهمة بالدوائر والشبكات الكهربائية ويقوم بتخزين الطاقة الكهربائية أو الشحنة الكهربائية لفترة معينة من الزمن. يتكون المكثف من لوحين مصنوعة من مادة موصلة بينهما مادة عازلة كما هو موضح بالشكل. ...يتبع #هندسة_كهربائية #كهرباء
سعة المكثف capacitance هي مدى قدرته لتخزين الطاقة وتقاس بفاراد نسبة للعالم البريطاني مايكل فارادي.
عادةً يتحدد نوع المكثف حسب المادة العازلة المستخدمة بين لوحيه إذا كانت هواء يسمى مكثف هوائي وكذلك مع المواد العازلة الأخرى كالسيراميك والميكا وغيرها. بالصورة عدة أنواع من المكثفات.
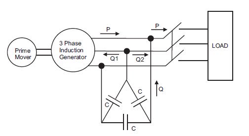
المكثف له إستخدامات كثيرة بالشبكات الكهربائية كتحسين عامل القدرة وتسمى capacitor banks موضحة بالصورة. أو يستخدم في المساعدة في تزويدreactive- power لمولدات الحث induction generators لإنشاء مجال مغناطيسي كما هو موضح أدناه بالرسم. #هندسة_كهربائية #كهرباء
وللمكثف إستخدامات عديدة في الدوائر الكهربائية حيث يستخدم لفلترة الموجة وتقليلripple بعد تحويل موجات التيار المتغير AC إلى تيار مستمر DC بعد إستخدام تقويم الموجةrectification. ومن أشهر إستخداماته أيضاً إستخدامه في دوائر فلاش الكاميرات موضح بالصورة وله العديد من الإستخدامات الأخرى.

جاري تحميل الاقتراحات...